联系人:王经理
销售电话:13371051536
销售QQ:1401548526
公司地址:山东省潍坊市高新区光电路155号光电产业加速器(一期)
13371051536
PRODUCT CENTER
联系人:王经理
销售电话:13371051536
销售QQ:1401548526
公司地址:山东省潍坊市高新区光电路155号光电产业加速器(一期)

【产品简介】土壤盐分传感器又称土壤电导率含盐量传感器,土壤盐分传感器广泛适用于科学实验、温室大棚、花卉蔬菜、草地牧场、土壤速测、植物培养等盐分含量的测量。
一、土壤盐分传感器技术指标
土壤盐分传感器又称土壤电导率含盐量传感器,土壤盐分传感器广泛适用于科学实验、温室大棚、花卉蔬菜、草地牧场、土壤速测、植物培养等盐分含量的测量。
1.供电:DC12V
2.功耗:小于0.1W
3.工作温度:-30~70℃
4.通信接口:RS485
5.工作电流:8mA DC12V
6.最短数据间隔:60S
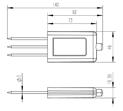
二、土壤盐分传感器产品尺寸图

三、土壤盐分传感器使用注意事项
1.传感器安装应严格按照安装使用说明书进行。
2.多个传感器同时工作时,必须间隔5米以上距离。
3.传感器测量原理限制,传感器测量地为中心半径5米范围内不应有电磁线缆和强磁辐射干扰,
避免造成传感器测量的巨大误差和损坏。
4.传感器的安装环境应该符合传感器的测量范围,避免超量程等不规范行为。
5.传感器安装应避开强酸强碱、重油污重金属环境进行。
6.传感器为土壤测量传感器,禁止将本传感器对其他行为。
7.传感器安装环境不能有强振动。
8.传感器不能有过强外力作用。
9.禁止拆卸,私自拆卸将不提供任何服务。
10.传感器探针较为锋利,使用时应按规定注意佩戴护具。
11.设备使用和维护应严格按照上述注意事项进行,如有违规使用的行为,本司不承担相关负责。
四、土壤盐分传感器传感器参数
| 参数 | 测量范围 | 精度 | 分辨率 | 单位 |
| 土壤电导率 | 0~20000 | ±3%(15℃,0~10000us/cm)±5%(全量程) | 1 | us/cm |
| 土壤含盐量 | 0~12800 | ±3% | 1 | mg/L |
土壤墒情监测站是集成了各类监测传感器、数据采集器、传输模块等设备的系统。它能够自动、连续地监测土壤不同深度的湿度信息,并将数据远程传输至管理中心。
当前流行的便携式农业气象站,又被称为新型自动气象站。顾名思义,它能够以高度自动化的方式,实现对于天气气象的有效观测。
农田土壤与环境对农作物生长具有重要的影响作用,其产量与品质是农田生态环境在各个阶段共同作用的结果。所以,对农田土壤及环境进行有效地监测对确保作物产量,改善品质,指导生产等方面都起着至关重要作用。在现代农业科学灌溉过程中,土壤墒情作为一项重要的基础性工作。在当前人们为了能够更好地促进土壤水利用效果,就
管式球盟会官网网页版 FT-TDR如何安装?