联系人:王经理
销售电话:13371051536
销售QQ:1401548526
公司地址:山东省潍坊市高新区光电路155号光电产业加速器(一期)
13371051536
PRODUCT CENTER
联系人:王经理
销售电话:13371051536
销售QQ:1401548526
公司地址:山东省潍坊市高新区光电路155号光电产业加速器(一期)

【产品简介】土壤温湿度传感器又称土壤温湿度检测传感器,土壤温湿度传感器可以同时测量出土壤体积含水量、土壤温度等参数,广泛用于农学、水文学、气象学、地球物理学及土木工程学的研究和生产领域。
一、土壤温湿度传感器技术指标
土壤温湿度传感器又称土壤温湿度检测传感器,土壤温湿度传感器可以同时测量出土壤体积含水量、土壤温度等参数,广泛用于农学、水文学、气象学、地球物理学及土木工程学的研究和生产领域。
1.供电:DC12V
2.功耗:小于0.1W
3.工作温度:-30~70℃
4.通信接口:RS485
5.工作电流:8mA DC12V
6.最短数据间隔:60S
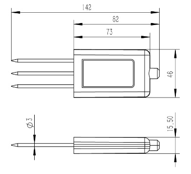
二、土壤温湿度传感器产品尺寸图

三、土壤温湿度传感器使用注意事项
1.传感器安装应严格按照安装使用说明书进行。
2.多个传感器同时工作时,必须间隔5米以上距离。
3.传感器测量原理限制,传感器测量地为中心半径5米范围内不应有电磁线缆和强磁辐射干扰,
避免造成传感器测量的巨大误差和损坏。
4.传感器的安装环境应该符合传感器的测量范围,避免超量程等不规范行为。
5.传感器安装应避开强酸强碱、重油污重金属环境进行。
6.传感器为土壤测量传感器,禁止将本传感器对其他行为。
7.传感器安装环境不能有强振动。
8.传感器不能有过强外力作用。
9.禁止拆卸,私自拆卸将不提供任何服务。
10.传感器探针较为锋利,使用时应按规定注意佩戴护具。
11.设备使用和维护应严格按照上述注意事项进行,如有违规使用的行为,本司不承担相关负责。
四、土壤温湿度传感器传感器参数
| 参数 | 测量范围 | 精度 | 分辨率 | 单位 |
| 土壤温度 | -30~70℃ | ±0.3(-10~50℃) | 0.01 | ℃ |
| 土壤含水率 | 0~100% | ±3%(壤土)高有机质土壤(土壤有机碳含量>12%)高粘粒含量土壤(粘粒含量>45%)由于其介电弛豫特性,可能需要针对特定土壤类型进行标定 | 0.01% | --- |
目前,市面上常见的便携式土壤水分速测仪多采用时域反射(TDR)原理、频域反射(FDR)原理或电容原理。
如今,各地不断引进和开发大规模的智慧大棚项目,智慧大棚可以实现对温室内大气和土壤环境的实时监测,对人员出入和温室内作物生长状况的全天候监测,并根据监测信息实现自动
近些年来由于人们施肥不合理导致土壤品质下降,土壤污染情况严重,严重影响现代农业的发展,导致污染的主要原因是肥料使用过量,因此应该杜绝经验施肥,使用土壤养分速测仪来
在如今这个教育非常重视的年代,中小学生们的学习已经不仅仅限于枯燥无味的数学、化学等方面的学习。学生学习生活更丰富,课外活动更充实!值得一说的是,广泛开展了中小学校园气象站、校园科普气象站等活动,这些活动在当今各校园中得到了广泛推广!校园气象科普工作受到了更多学校的关注!