联系人:王经理
销售电话:13371051536
销售QQ:1401548526
公司地址:山东省潍坊市高新区光电路155号光电产业加速器(一期)
13371051536
PRODUCT CENTER
联系人:王经理
销售电话:13371051536
销售QQ:1401548526
公司地址:山东省潍坊市高新区光电路155号光电产业加速器(一期)

【产品简介】土壤温度、水分、电导率、含盐量传感器又称土壤温湿盐传感器,土壤温度、水分、电导率、含盐量传感器是一款高精度、高灵敏度的测量土壤水分、温度、电导率的传感器。
一、土壤温度、水分、电导率、含盐量传感器技术指标
土壤温度、水分、电导率、含盐量传感器又称土壤温湿盐传感器,土壤温度、水分、电导率、含盐量传感器是一款高精度、高灵敏度的测量土壤水分、温度、电导率的传感器。
1.供电:DC12V
2.功耗:小于0.1W
3.工作温度:-30~70℃
4.通信接口:RS485
5.工作电流:8mA DC12V
6.最短数据间隔:60S
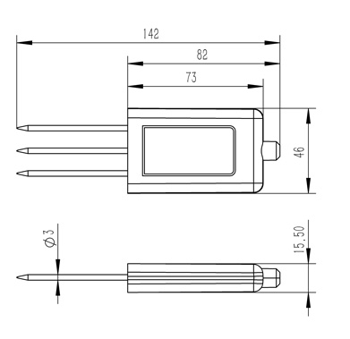
二、土壤温度、水分、电导率、含盐量传感器产品尺寸图

三、土壤温度、水分、电导率、含盐量传感器使用注意事项
1.传感器安装应严格按照安装使用说明书进行。
2.多个传感器同时工作时,必须间隔5米以上距离。
3.传感器测量原理限制,传感器测量地为中心半径5米范围内不应有电磁线缆和强磁辐射干扰,
避免造成传感器测量的巨大误差和损坏。
4.传感器的安装环境应该符合传感器的测量范围,避免超量程等不规范行为。
5.传感器安装应避开强酸强碱、重油污重金属环境进行。
6.传感器为土壤测量传感器,禁止将本传感器对其他行为。
7.传感器安装环境不能有强振动。
8.传感器不能有过强外力作用。
9.禁止拆卸,私自拆卸将不提供任何服务。
10.传感器探针较为锋利,使用时应按规定注意佩戴护具。
11.设备使用和维护应严格按照上述注意事项进行,如有违规使用的行为,本司不承担相关负责
四、土壤温度、水分、电导率、含盐量传感器传感器参数
| 参数 | 测量范围 | 精度 | 分辨率 | 单位 |
| 土壤温度 | -30~70℃ | ±0.3(-10~50℃) | 0.01 | ℃ |
| 土壤含水率 | 0~100% | ±3%(壤土)高有机质土壤(土壤有机碳含量>12%)高粘粒含量土壤(粘粒含量>45%)由于其介电弛豫特性,可能需要针对特定土壤类型进行标定 | 0.01% | --- |
| 土壤电导率 | 0~20000 | ±3%(15℃,0~10000us/cm)±5%(全量程) | 1 | us/cm |
| 土壤含盐量 | 0~12800 | ±3% | 1 | mg/L |
土壤水分监测站是集土壤温度和湿度的采集、存储、传输和管理于一体的土壤水分自动监测系统。
球盟会官网网页版 可连接多个传感器并远程传输至大显示屏,及时预警,提高实时监测的有效性,外部电源和通讯系统出现的临时故障不影响数据采集,通讯恢复后可自动下载延误传输的
当地农场选择安装基于时域反射(TDR)技术的墒情监测系统,在麦田不同位置和土壤深度设置了多个监测站,实时监测土壤水分含量。
土壤传感器有哪些?