联系人:王经理
销售电话:13371051536
销售QQ:1401548526
公司地址:山东省潍坊市高新区光电路155号光电产业加速器(一期)
13371051536
PRODUCT CENTER
联系人:王经理
销售电话:13371051536
销售QQ:1401548526
公司地址:山东省潍坊市高新区光电路155号光电产业加速器(一期)

【产品简介】探针式土壤墒情传感器又称探针式球盟会官网网页版 ,探针式土壤墒情传感器是一种用于监测土壤水分状况和温度的仪器,由不锈钢探针、电路板及屏蔽电缆组成。
一、探针式土壤墒情传感器技术指标
探针式土壤墒情传感器又称探针式球盟会官网网页版 ,探针式土壤墒情传感器是一种用于监测土壤水分状况和温度的仪器,由不锈钢探针、电路板及屏蔽电缆组成。
1.供电:DC12V
2.功耗:小于0.1W
3.工作温度:-30~70℃
4.通信接口:RS485
5.工作电流:8mA DC12V
6.最短数据间隔:60S
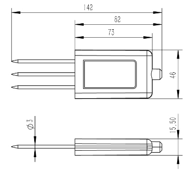
二、探针式土壤墒情传感器产品尺寸图

三、探针式土壤墒情传感器使用注意事项
1.传感器安装应严格按照安装使用说明书进行。
2.多个传感器同时工作时,必须间隔5米以上距离。
3.传感器测量原理限制,传感器测量地为中心半径5米范围内不应有电磁线缆和强磁辐射干扰,
避免造成传感器测量的巨大误差和损坏。
4.传感器的安装环境应该符合传感器的测量范围,避免超量程等不规范行为。
5.传感器安装应避开强酸强碱、重油污重金属环境进行。
6.传感器为土壤测量传感器,禁止将本传感器对其他行为。
7.传感器安装环境不能有强振动。
8.传感器不能有过强外力作用。
9.禁止拆卸,私自拆卸将不提供任何服务。
10.传感器探针较为锋利,使用时应按规定注意佩戴护具。
11.设备使用和维护应严格按照上述注意事项进行,如有违规使用的行为,本司不承担相关负责。
四、探针式土壤墒情传感器传感器参数
| 参数 | 测量范围 | 精度 | 分辨率 | 单位 |
| 土壤温度 | -30~70℃ | ±0.3(-10~50℃) | 0.01 | ℃ |
| 土壤含水率 | 0~100% | ±3%(壤土)高有机质土壤(土壤有机碳含量>12%)高粘粒含量土壤(粘粒含量>45%)由于其介电弛豫特性,可能需要针对特定土壤类型进行标定 | 0.01% | --- |
智能墒情站是什么东西?它有哪些作用和功能?我们应该如何利用这些知识来指导农业生产呢?本文将从几个方面对这个问题进行介绍。
三层管式土壤墒情监测站使用了频域反射(FDR)技术,这一技术基于电磁波在不同介质中的传播特性,通过测量电磁波在土壤中的传播速度来确定土壤的水分含量。
土壤监测设备-墒情如何检测?土壤墒情是重要的农业数据,也是农作物生长过程中不可缺少的条件之一,直接影响到作物产量和品质。
在农业生产中,利用无线土壤水分监测站对土壤水分进行监测非常重要。无线土壤水分监测站在土壤水分信息和自动监测技术方面进行了探索和创新,形成了成熟的自动监测技术,能够